XCL211B082DR降壓DC/DC轉換器Torex
發布時間:2024-05-21 09:37:24 瀏覽:3127
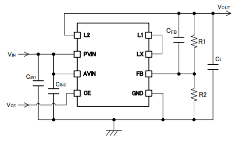
XCL211B082DR是一款由Torex生產的超小型降壓DC/DC轉換器,屬于XCL211系列。該系列產品將線圈和控制IC集成在一個封裝內,尺寸僅為3.1mm×4.7mm,高度為1.3mm,這種緊湊的設計簡化了電路板布局,并有助于減少因電路布線引起的錯誤動作或噪聲。

該轉換器的輸入電壓范圍為2.7V至6.0V,輸出電壓可以通過外部電阻從0.9V起任意設定,其反饋電壓為0.8V±2%。XCL211系列的工作頻率是固定的,這有助于抑制輸出紋波。軟啟動時間設定為1ms(典型值),確保輸出電壓能夠快速啟動。限定電流功能設定為4.0A(典型值),內置的UVLO功能在輸入電壓低于2.4V(典型值)時會強制停止內部驅動晶體管的工作,以保護電路。
當CE(Chip Enable)信號為低電平時,內置的CL放電功能會釋放負載電容(CL)中的電荷,從而將待機時的消耗電流控制在1.0μA以下,有助于降低功耗。
XCL211B082DR的主要技術參數包括:
- 效率:高達94%(在VIN=5.0V,VOUT=3.3V時)
- 輸出電流:2.0A
- 振蕩頻率:2.4MHz
- 最大占空比:100%
- 控制方式:PWM(XCL211)或PWM和PFM(XCL212)
- 功能:限流(自動返回)、軟啟動、CL放電、UVLO
- 輸出電容:推薦使用低ESR陶瓷電容
- 工作環境溫度:-40℃至85℃
- 包裝:USP-11B01
- 環保:符合歐盟RoHS標準,無鉛
XCL211B082DR適用于多種應用場景,包括筆記本電腦、打印機、平板電腦和便攜式導航設備(PND)等。其高效率、緊湊的尺寸和豐富的保護功能使其成為電子設備中電源管理的理想選擇。
推薦資訊
TI德州儀器?TPSM863257是款輸入電壓范圍為3V至17V的簡單實用型高效率高功率密度同步降壓模塊,兼容高至3A的持續電流量。TPSM863257選用D-CAP3系統控制提供迅速瞬態響應并提供低ESR輸出電容器,無需外界補償。TPSM863257可實現以高至95%的pwm占空比應用。
DATEL?開關穩壓器PT系列在8引腳SIP標準規定封裝中提供3瓦隔離輸出功率。這些轉換器具備2:1的寬輸入電壓范圍,即4.5至9、9至18、18至36或36至75v。DATEL開關穩壓器PT系列轉換器提供3.3至15v范圍內的精準控制輸出電壓。輸出電壓能夠是單電壓或雙電壓。
在線留言